
四川筑骏建设工程有限公司
地址:成都市成华区双福一路66号4栋(华润·万象星座)11层4、5、6号
电话:028-66873888 / 87538111转801
网址:www.zgsczjjs.cn
邮箱:2839126565@qq.com
|转至:电力合伙人
1.10kV架空网典设电网结构
1.1辐射式
自变电站母线引出,仅配有分段开关的架空线路构成辐射式电网结构,如下图所示。

适用D、E类10kV配电网供电区域。供电区域划分按下表划分,也可适当调整。

..................................................
..................................................
1.2多分段单联络
自不同变电站或变电站不同母线段引出,配有分段开关,并在线路末端联络的两回架空线路构成多分段单联络电网结构,如下图所示。

1.3多分段适度联络
自变电站母线引出,配有多个分段开关,并与多回线路联络的架空线路构成多分段适度联络电网结构,如下图所(示意图为典型三分段、三联络)。

2.10kV电缆网典型电网结构
2.1单环式
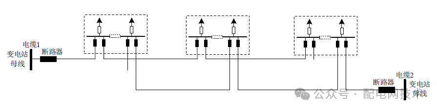
自不同上级电源的中压母线引出两到四回电缆线路构成单环网,如下图所示(示意图为典型“2-1”单环网)。

适用A+、A、B、C类10kV配电网供电区域。
2.2双射式
自不同上级电源的中压母线引出双回电缆线路,形成双射式电网,如下图所示。

适用B类10kV配电网供电区域。
2.3对射式
自不同上级电源、不同方向的中压母线引出双回电缆线路,形成对射式电网,一般由双射式电网结构改造形成,如下图所示。

2.4双环式

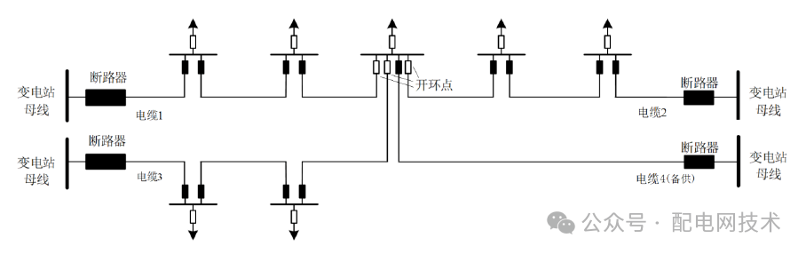
2.5N供一备(2≤N≤4)
自不同上级电源的中压母线引出两到四回电缆线路构成N供一备电网,如下图所(示意图为典型三供一备)。

3.低压配电网电网典型结构 低压配电网(220 V/380 V)电网结构示意图如下图所示,采用辐射式接线方式。

在线客服